![]()
Technical reference page: 26
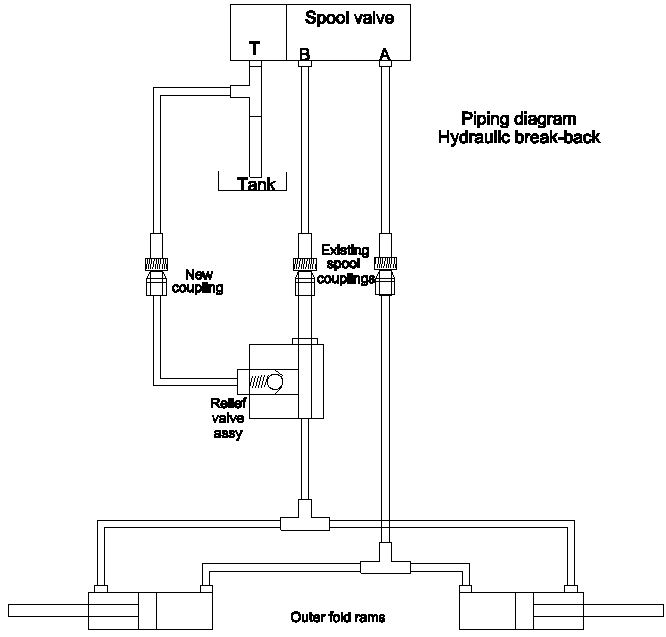
Hydraulic break-back for 18-24m booms

Fitting
1. Fit tee-piece
under spool valve in tank return line
2. Remove the QR
coupling from the end of the hose that feeds the outside of the outer
fold rams
3. Fit the QR
coupling onto the relief valve assy
4. Fasten the
relief valve assy onto the end of the hose
5. Plug the assy
back into the original coupling
6. Fit new QR
coupling & hose to tee piece
7. Plug small
return hose into new coupling
Check that the
outer boom sectiopn can be pushed back by hand (needs to be quite
strong). The adjuster on the relief valve may need fine tuning either way.