![]()
Technical reference page: 34
Hydraulic conversion kit - TMA4 hydraulic drive
This kit is suitable for fitting to most Agribuggies with standard piping systems fitted. It provides an auxiliary oil flow which is controlable from the cab to drive the metering rollers on a TMA4 spreader. It is not suitable for driving other types of spreader. The kit only contains the components for the Agribuggy side of the system. A seperate kit is available to convert land wheel driven TMA4s to hydraulic drive.
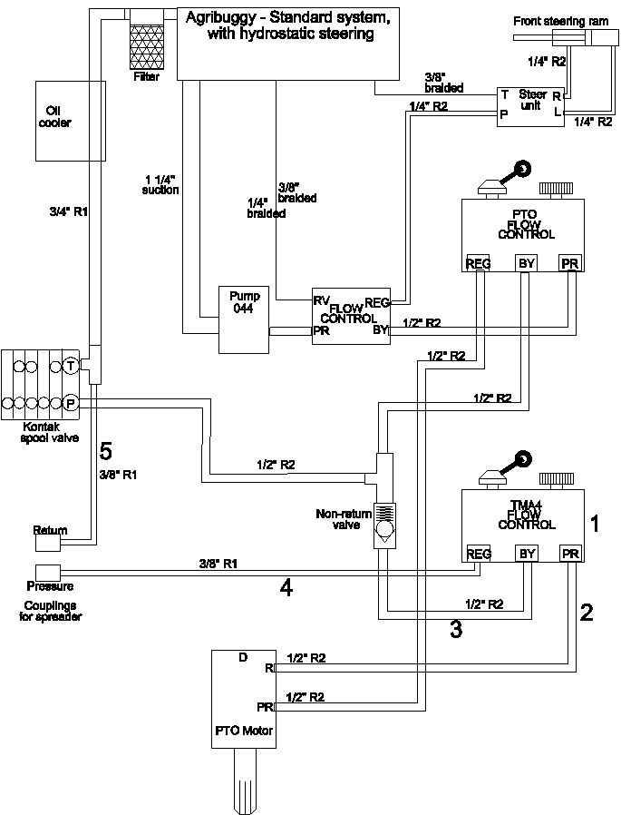
Piping diagram (may need printing for clarity) See page 33 for standard piping

1. New flow
control valve supplied with kit
2. Disconnect this
hose from non return valve and fit to new flow control
3,4,5, New hoses supplied
Kit list
2 HY-AD-12X12MM
1/2 x 1/2 mm hyd adaptor
1 HY-AD-343412MMM
3/4x3/4x1/2 MMM tee
1 HY-AD-34X34MF
3/4x3/4 mf hyd adaptor
1 HY-AD-38X12MF
3/8 x 1/2 MF hyd Adaptor
1 HY-AD-38X38MM
3/8 MM Adaptor
2 HY-BU-38 3/8 x
3/8 mm bulkhead adaptor
1 HY-FC-FVDVRV PTO
flow control unit
1 HY-HO-12-0.6 1/2
R2 hose assy. st fem ends
1 HY-HO-38-1.2M
3/8 R1T 1.2m hose st fem ends
1 HY-HO-38-2.0
2m.R2 3/8 hose assy.st f ends
1 HY-QR-38F 3/8 f
Q/R coupling
1 HY-QR-38M 3/8 m
Q/R coupling
1 HY-QR-PLUG QR Plug
2 HY-SE-12 1/2
Dowty Washer
3 HY-SE-38 3/8
Dowty washer
2 NB-B-M-8X100
M8x100 bolt
2 NB-N-M-8 M8
plated nut
2 NB-W-S-8P 8mm
plated spring washer