Logo - T.J. Frazier Ltd.

Technical reference page: 69

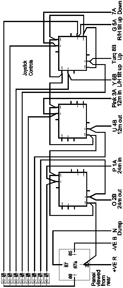
Electro-spool valve wiring - Std Stealth